02200-59, OEM Replacement , 120V, 3000 RPM,
02200-59, OEM Replacement , 120V, 3000 RPM, est en rupture de stock et sera expédié dès qu’il sera de retour en stock.
Impossible de charger la disponibilité pour le Service de retrait
Estimation des frais de livraison
Veuillez corriger les erreurs suivantes :
Description
Description
02200-59, OEM Replacement , 120V, 3000 RPM,
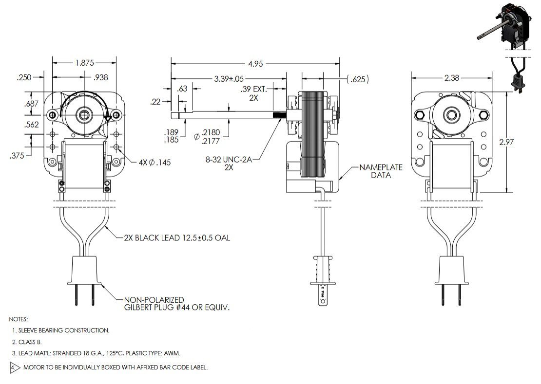
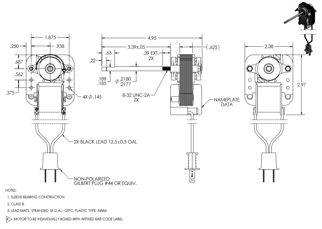
KEY FEATURES
-
Voltage: 120 V
-
Amperage: 0.80 A
-
Speed: 3000 RPM
-
Frequency: 60 Hz
-
Motor Type: C‑Frame
-
Rotation: CW (Clockwise) at shaft end
-
Shaft Size: 7/32″ Diameter x 3.5″ Length with flat
-
Iron Stack Height: 9/16″
-
Lead Wires: 2-wire with plug (approx. 5"–11" length)
-
Mounting: Two non-threaded studs on shaft side
-
Thermal Protection: Included
-
Warranty: 1 Year Manufacturer Warranty
CROSS REFERENCE
-
730
-
732
-
832000600
Payment & Security
Payment methods
Your payment information is processed securely. We do not store credit card details nor have access to your credit card information.


