140414.00, Agricultural Motor, 10Hp, 1740 RPM, 230V, 1Ph, 60Hz, Frame 215T, TEFC, P215K17FB6H
140414.00, Agricultural Motor, 10Hp, 1740 RPM, 230V, 1Ph, 60Hz, Frame 215T, TEFC, P215K17FB6H is backordered and will ship as soon as it is back in stock.
Couldn't load pickup availability
Estimate shipping
Please correct the following errors:
Description
Description
140414.00, Agricultural Motor, 10Hp, 1740 RPM, 230V, 1Ph, 60Hz, Frame 215T, TEFC, P215K17FB6H
KEY FEATURES
• Output Power: 10 HP (7.5 kW)
• Voltage: 230 V
• Phase: 1
• Frequency: 60 Hz
• Speed: 1740 RPM
• Current: 40.0 A
• Service Factor: 1.15
• Efficiency: 86.5%
• Power Factor: 95
• Frame: 215T
• Enclosure: Totally Enclosed Fan Cooled (TEFC)
• Duty: Continuous
• Insulation Class: F
• Thermal Protection: Manual
• Ambient Temperature: 40°C
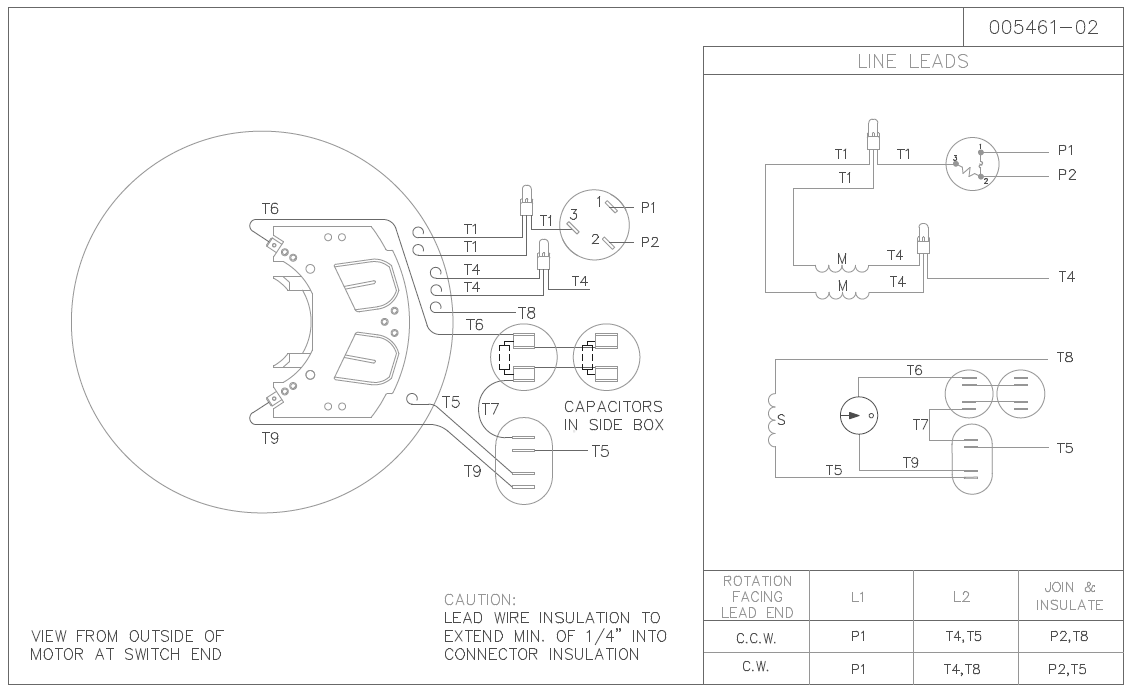
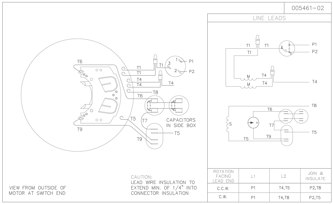
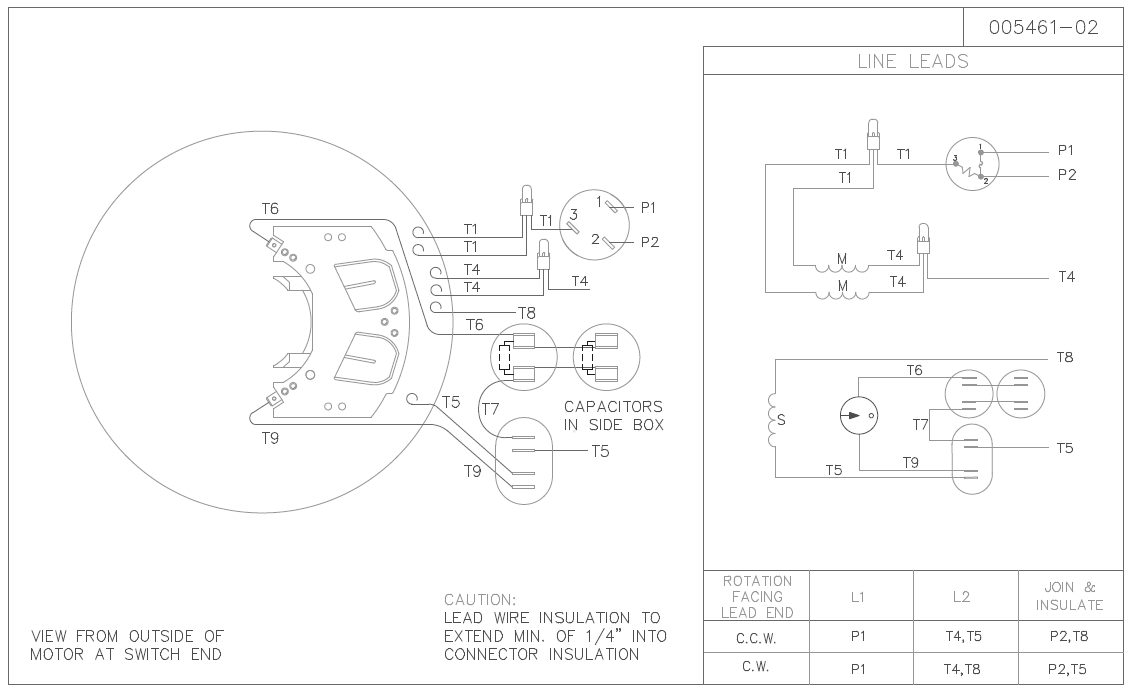
• Electrical Type: Capacitor Start / Capacitor Run
• Rotation: Selective Counterclockwise
• Bearings: Ball
• Mounting: Rigid Base (F1 Only)
Payment & Security
Payment methods
Your payment information is processed securely. We do not store credit card details nor have access to your credit card information.




