JP100502NPW22, W22 Close Coupled Pump JP NEMA Premium Efficiency 100HP 3545 RPM 2P 364/5JP 3Ph 575 V 60 Hz IC411 - TEFC - Foot-mounted
JP100502NPW22, W22 Close Coupled Pump JP NEMA Premium Efficiency 100HP 3545 RPM 2P 364/5JP 3Ph 575 V 60 Hz IC411 - TEFC - Foot-mounted est en rupture de stock et sera expédié dès qu’il sera de retour en stock.
Impossible de charger la disponibilité pour le Service de retrait
Estimation des frais de livraison
Veuillez corriger les erreurs suivantes :
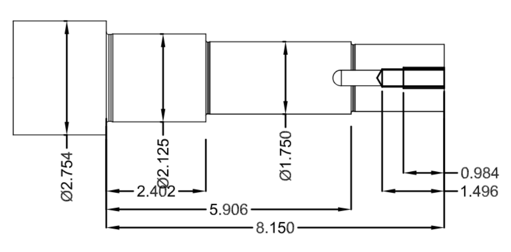
Description
Description
JP100502NPW22, W22 Close Coupled Pump JP NEMA Premium Efficiency 100HP 3545 RPM 2P 364/5JP 3Ph 575 V 60 Hz IC411 - TEFC - Foot-mounted
Key Features
-
Power: 100 HP (75 kW)
-
Voltage: 575 V
-
Speed: 3545 RPM
-
Current: 89.6 A (No load: 20.8 A)
-
Frame: 364/5JP, C-Flange
-
Mounting: F-1, TEFC (IP55)
-
Frequency: 60 Hz, 3-Phase
-
Service Factor: 1.25
-
Insulation: Class F
-
Ambient Temp: -20°C to +40°C
-
Altitude: 1000 m.a.s.l.
-
Design: Code G, Slip: 1.53%
-
Torque:
• Rated: 148 ft.lb
• LRT: 240%
• BDT: 260% -
LRA: 582 A
-
Noise Level: 79.0 dB(A)
-
Bearings: 6314 C3 (DE & NDE, Lip Seal)
-
Shaft: SAE 1040/45 carbon steel
-
Grease: Mobil Polyrex EM
-
Fan: Plastic (cover: cast iron)
-
Paint: RAL 5009 (C3)
-
Terminal Box: Left, NPT 3"
-
Drain: Rubber, automatic
-
Protection: Locked Rotor Time – 25s (cold), 14s (hot)
About WEG
With flagship product lines, such as the WEG Pump Motor line, WEG motors are trusted in the waste and water treatment, mining, chemical processing, oil & gas, and manufacturing industries. Headquartered in Toronto, Ontario, WEG Motors Canada (VJ Pamensky) distributes efficient technology that drives sustainable growth for your business. They serve industries such as oil and gas, pulp and paper, power generation, food and beverage, and more. WEG’s commitment to growth, innovation, and teamwork has been the driving factor behind their forward movement. Now producing over 21 million individual items annually, WEG motors attributes this success to their state-of-the-art facilities and cutting-edge processes. They will always strive to develop and improve their industrial electrical solutions.
Payment & Security
Payment methods
Your payment information is processed securely. We do not store credit card details nor have access to your credit card information.






